| 章节 | 内容概述 | 重点程度 |
|---|---|---|
| Ch.7 Latches, Flip-Flops, and Timers 锁存器、触发器和定时器 | 触发器、单稳态、双稳态 | 高 |
| Ch.8 Shift Registers 移位寄存器 | 移位寄存器与应用 | 中 |
| Ch.9 Counters 计数器 | 异步/同步计数器设计与状态机 | 核心 |
7 锁存器、触发器和定时器
7.1 锁存器 (Latch)
- $S - R$(置位 - 复位)锁存器:
- 高电平有效输入 $S - R$ 锁存器:由两个交叉耦连的或非门组成,每个门的输出都连接到另一个门的输入上。
- 低电平有效输入 $\overline{S} - \overline{R}$ 锁存器:由两个交叉耦连的与非门组成,每个门的输出都连接到另一个门的输入上。

- 低电平有效输入 $\overline{S} - \overline{R}$ 锁存器的三种模式:
| $\overline{S}$ | $\overline{R}$ | $Q$ | $\overline{Q}$ | 说明 |
|---|---|---|---|---|
| 1 | 1 | No Change | No Change | 保持 |
| 0 | 1 | 1 | 0 | 置位 |
| 1 | 0 | 0 | 1 | 复位 |
| 0 | 0 | 1 (Unstable) | 1 (Unstable) | 无效 |
- 门控 $S - R$ 锁存器:添加了一个使能输入 $EN$,当 $EN$ 为高电平的时候,$S, R$ 才控制锁存状态

- 门控 $D$ 锁存器:数据输入为 $D$,其中 $S = D, R = \overline{D}$,只能置位或移位

- 对应芯片:74XX75(四门控 $D$ 锁存器)
7.2~7.5 触发器 (Flip-Flop)
- 边缘触发器 (Edge-Triggered Flip-Flop):只有在时钟的上升沿或下降沿瞬间才对其输入响应。
- 动态输入指示器:无小圆圈 $\circ$ 的是上升沿触发,有小圆圈的 $\circ$ 的是下降沿触发

- 边沿触发的 $D$ 触发器:使得 $D$ 输入是同步输入。只有时钟的触发边沿到来时,$D$ 输入才能响应。
| $D$ | $CLK$ | $Q$ | $\overline{Q}$ | 说明 |
|---|---|---|---|---|
| 0 | $\uparrow$ | 0 | 1 | 置位 |
| 1 | $\uparrow$ | 1 | 0 | 复位 |
- 边沿触发的 $J-K$ 触发器:使得 $J-K$ 输入是同步输入。只有时钟的触发边沿到来时,$J-K$ 输入才能响应。
| $J$ | $K$ | $CLK$ | $Q$ | $\overline{Q}$ | 说明 |
|---|---|---|---|---|---|
| 0 | 0 | $\uparrow$ | $Q_0$ | $\overline{Q_0}$ | 保持 |
| 0 | 1 | $\uparrow$ | 0 | 1 | 复位 |
| 1 | 0 | $\uparrow$ | 1 | 0 | 置位 |
| 1 | 1 | $\uparrow$ | $\overline{Q_0}$ | $Q_0$ | 切换 |
- 边沿触发操作:将时钟信号传送到脉冲转换检测器,利用门电路的延迟 $Y = A · \overline{A}$ 产生一个窄脉冲(尖峰信号)

- $J-K$ 触发器:将与非门输出连接到另一个门电路里面

- 异步置位和异步清零:将对应的输入连接到与非门上

- 对应芯片:74XX74(双上升沿触发 $D$ 触发器)、74XX112(双下降沿触发 $J-K$ 触发器)
- 触发器运算特性:
- 传输延迟时间:既可以从时钟到输出,也可以从异步输入到输出
- $t_{PLH}$:对应触发边沿 $50%$ 到输出从低电平到高电平转换 $50%$ 的时间间隔
- $t_{PHL}$:对应触发边沿 $50%$ 到输出从高电平到低电平转换 $50%$ 的时间间隔
- 建立时间 $t_b$:同步输入保持 $50 %$ 先于时钟脉冲触发边沿到来 $50%$ 的最小时间间隔
- 保持时间 $t_h$:时钟脉冲触发边沿到来 $50%$ 后到同步输入保持 $50%$ 的最小时间间隔
- 最大时钟频率 $f_{\max}$:触发器可以可靠触发的最高时钟频率
- 脉冲宽度 $t_w$:触发器可以可靠触发的最小脉冲宽度
- 功率损耗:$P = V_{CC} \times I_{CC} \quad (W)$
- 传输延迟时间:既可以从时钟到输出,也可以从异步输入到输出
- 触发器应用:
- 并行数据存储:多个触发器的时钟输入连向同一个时钟,即可获得基本寄存器。
- 分频:当脉冲波形加在一个 $D$ 触发器($D = \overline{Q}$)或者 $J-K$ 触发器($J=K=1$)的时钟输入时,$Q$ 输出就是时钟频率一半的方波。于是可以实现 $2^n$ 分频。
- 计数:和分频类似,每个触发器的输出代表了一个进制位。
7.6 定时器 (Timer)
- 单稳态触发器 (Trigger):单稳态触发器每触发一次就产生一个单脉冲。
- 单稳态多谐振荡器:由逻辑门、反相器和 RC 电路组成

- 通过 RC 电路充电,让反相器的输入保持一段低电平,从而输出一个单脉冲,其保持高电平的时间由 $RC$ 时间常数决定。
- IC 单稳态触发器的类型 *:
- 不可重复触发型:输出脉冲期间,输入的脉冲不能再延长这个脉冲
- 对应芯片:74XX121
- 设置脉冲宽度的三种方法:

- 可重复触发型:输出脉冲期间,输入的脉冲可以继续延长这个脉冲
- 对应芯片:74XX122
- 设置脉冲宽度:$$t_w = 0.32 RC_{EXT} \left(1 + \frac{0.7}{R}\right)$$
- 不可重复触发型:输出脉冲期间,输入的脉冲不能再延长这个脉冲
- 单稳态多谐振荡器:由逻辑门、反相器和 RC 电路组成
- 555 定时器 *:
- 单稳态触发器:
- 脉冲振荡器:
8 移位寄存器
8.1~8.2 移位寄存器
- 移位寄存器的功能:数据存储、数据移动
- 寄存器的存储容量:寄存器中触发器的数量 / 级数
- 串行输入:$D_0$ 连 $D_{in}$,$D_i$ 连向 $Q_{i - 1}$
- 串行输出:只有 $D_{n - 1}$ 连向 $D_{out}$
- 并行输入:所有 $D_i$ 都有输入数据线
- 并行输出:所有 $Q_i$ 都有输出数据线
- 芯片:74XX164(八位串行输入并行输出移位寄存器)、74XX165(八位并行输入串行输出移位寄存器)、74XX195(四位通用移位寄存器)
8.3 双向移位寄存器
- 增加控制输入 $RIGHT / \overline{LEFT}$,高电平时向右移位,低电平时向左移位,用反相器和与门来控制串行输入

- 对应芯片:74XX194(四位双向通用移位寄存器)
8.4~8.5 移位寄存器应用
- 计数器:
- 约翰逊计数器 (Johnson Counter):最后一个触发器 $\overline{Q_{n - 1}}$ 的反码回接到第一个触发器的输入上。计数器会从全 0 状态开始,从左到右填充 1,到全 1 状态,从左到右填充 0,到全 0 状态循环。总共有 $2n$ 种状态。
- 环形计数器(Ring Counter):第一个触发器初始为 1,其余为 0,最后一个触发器 $Q_{n - 1}$ 的回接到第一个触发器的输入。计数器中的 1 会逐位向右循环移动。总共有 $n$ 种状态。
- 时间延迟:对于串行输入串行输出计数器,输出波形会比输入波形延迟 $n$ 个时钟周期
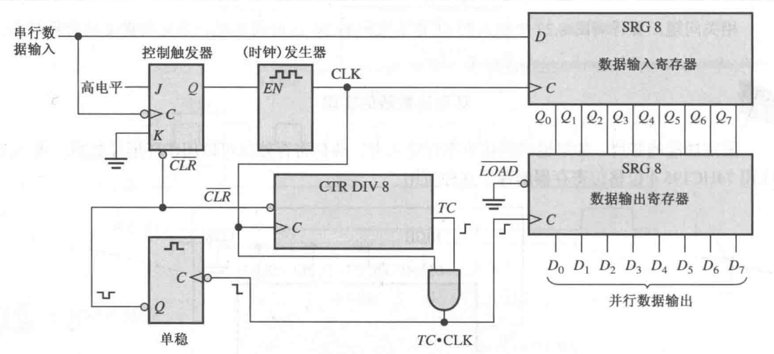
- 串行到并行数据转换器:起始位开始进行八位时钟延迟,将使能传到串行输入寄存器中

- 通用异步接收发送机 (UART) *
- 键盘译码器 *
8.6 关联标注的逻辑符号 *
9 计数器
9.1 有限状态机
- 时序逻辑的两种模型:
- Moore 状态机:由组合逻辑、存储器、输出组成。组合逻辑仅依赖于当前存储器的状态。
- Mealy 状态机:由输入、组合逻辑、存储器、输出组成。组合逻辑既依赖于当前存储器的状态,也依赖于输入。

9.2 异步计数器
- 异步计数器:$CLK$ 只应用于 $FF_0$ 的 $C$ 上,其余的 $C$ 连向前一个的 $Q$
- 传输延迟:产生「进位」的时候会出现传输延迟,时间正比于进位数。
- 异步译码计数器:如果令模为 $B$,那么当计数器计数到 $B$ 的时候,利用与门拉低所有触发器的 $CLR$ 进行清零。这样会一个 $B$ 假信号。
- 芯片:74XX93(四位异步二进制计数器)
9.3~9.5 同步计数器
- 同步译码计数器:令 $CLK$ 应用到所有 $FF$ 的 $C$ 上,同时令所有的 $J_i = K_i = Q_0 Q_1 \cdots Q_{i - 1}$
- 加/减同步计数器:加序列时,低位全 1 时才进位;减序列时,低位全 0 才退位,因此 $$J_i = K_i = UP · Q_0 Q_1 \cdots Q_{i - 1} + \overline{DOWN} \overline{Q_0}·\overline{Q_1}\cdots \overline{Q_{i - 1}}$$
- 芯片:74XX163(四位同步二进制计数器)、74XX190(加/减同步十进制计数器)
- 同步计数器的设计:
- 创建状态图
- 编写触发器状态转换表

- 画次态卡诺图,得出触发器输入的表达式
- 实现计数器
9.6 级联计数器
- 异步级联:将低位计数器的进位输出连到高位计数器的时钟输入。总模等于多个计数器的模的乘积。
- 同步级联:将低位计数器的进位输出连到高位计数器的计数势能 $CTEN$,而计数器的时钟输入连向同一个 $CLK$。总模等于多个计数器的模的乘积。
- 具有截断序列的级联计数器:每次循环后预置为某一个数,即可删除它之前的状态,从而实现模任意数的计数器。
9.7~9.8 计数器应用
- 计数器译码:用 $FF$ 的所有输出用反相器和与门即可判断当前译码是否为某一特定状态
- 译码假信号:异步计数器的传输延迟会造成短暂的假信号,我们可以让假信号小时之后才使译码输出(选通),即用高电平有效时钟的低电平来使译码器工作。
- 应用:数字时钟、停车控制、并行到串行数据的转换